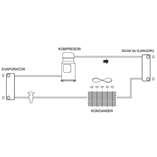
Klima Klima, havayı ısıtma ve soğutma, temizleme, nem miktarını belirleme ve sabit tutma, işlemlerini sürekli olarak gerçekleştiren ve vücut ısısına uygun ortam sağlayan araçtır. İç mekanlarda sıcaklığı ve buna bağlı nemi sabit bir seviyede tutmaya yarayan klimalar, günümüzde kişisel konforu sağlamada önemli bir yer tutmaktadır. Klimaların en önemli özelliklerinden biri, dış iklimden bağımsız olarak kapalı alanlardaki sıcaklık, nem ve havanın kalitesi gibi değişkenler üzerinde kontrol sağlamasıdır. Yüksek performanslı ve aynı zamanda enerji tasarrufu da sağlayan klimalar, ortamı hem ısıtmaya hem de soğutmaya yarar.
Klima Çeşitleri Klima sistemlerinin sınıflandırılmasının amacı ihtiyaçlara bağlı olarak en doğru klimanın seçilmesini sağlamaktır. Klima cihazları, merkezi ve bireysel cihazlar olmak üzere iki kategoride incelenebilir. Merkezi cihazlar, büyük binaların iklimlendirilmesi için kullanılır. Bu sistem içinde bir soğutma grubu ve bir klima santrali, havalandırma kanalları ve fancoil gibi parçalar bulunur. Merkezi klimalar; büyük ofis, plaza, alışveriş merkezi, otel, hastane, sinema, spor salonu gibi büyük binalar ve bazı endüstriyel tesislerde kullanılır. Bireysel cihazlar, üç başlık altında toplanabilir. Bunlar; split tip, paket tip, pencere tipi klimalardır. Split klimalar, soğutma sistemi elemanlarının iki ya da daha fazla gövde içerisine yerleştirilmesi ile oluşurlar. Kullanım ihtiyacına göre klima çeşitleri duvar tipi, yer-tavan tipi, salon tipi, kanal/ gizli tavan tipi, kaset tipi şeklinde ayrılırlar. Split tipi klimalar, bulundukları ortamın havasını temizleme, nem alma, haftalık/günlük programlanma, uzaktan kumanda gibi özelliklere sahiptir. Paket tipi klimalar; düşey yatay tip ve çatı tipi paket klimalar olarak ikiye ayrılırlar. Düşey yatay tip paket klimalar split klimaların daha büyük kapasiteli tipleridir. Havayı direk iklimlendirilecek alana üflerler. Kısa kanatlar sayesinde homojen hava dağılımı sağlarlar. Çatı tipi klimalarda, sistemin tümü iklimlendirilecek alanın üzerindeki çatıya yerleştirilir. Hava kanalları yardımıyla alanı konforlu tutar. Klima çeşitleri içerisinde son olarak pencere tipi klimalar, pencere veya duvara monte edilirler. Cihaz bir kısmı içeride bir kısmı dışarıda kalacak şekilde konumlandırılır. Yüksek ses seviyesi ve yüksek elektrik tüketimi nedeni ile son yıllarda fazla tercih edilmemektedir.
Duvar Tipi Split Klima Duvar tipi split klimalar, soğutucu akışkanın yoğuşma ve buharlaşma özelliklerini kullanarak ısının transfer edilmesini sağlayan araçlardır. Split tipi klimaların genel özelliklerini taşırlar. Duvar tipi split klimayı diğer split klimalardan ayıran özellik metrekaresi küçük alanlar için kullanımının ideal olmasıdır. Evde, ofiste, kullanım alanı küçük olan her yerde beklentiyi karşılarlar.
Salon Tipi Split Klima Salon tipi split klimalar geniş alanları iklimlendirmek için tercih edilir. Yüksek tavanlı, metrekaresi geniş alanları iklimlendirmede duvar tipi klimalardan daha başarılıdırlar. Etkili bir şekilde çalışıyor olmasına rağmen gürültü seviyeleri ve tükettikleri enerji miktarı azdır. Aynı zamanda salon tipi klimaların fiyatları diğer klima türlerine göre çok daha avantajlıdır.
Mobil Klima Mobil klimalar bilinen diğer klima modellerinden oldukça farklı bir kullanıma sahip. Bilinen klimaların çalışma sistemleri bir tesisat ile gerçekleşirken mobil klimaların çalışma sistemi çok daha pratiktir. Mobil klimaların çalışabilmesi için sadece bir elektrik prizi yeterli. Boyutları diğer klimalara göre oldukça küçük ve taşınabilme kolaylığına sahipler. Bu özellikleriyle mobil klimalar serinletilmesi istenen her yere zahmetsizce götürülebilir. Tüm bunların yanından mobil klimalar uzaktan kumandayla kontrol edilebilirler. Herhangi bir arıza durumunda da otomatik olarak bildirme özelliğine sahipler. Enerji tüketimi açısından bakıldığında A sınıfı tasarruflu klimalardır. Bu klimalara “portatif klima” adı da verilmektedir.
Elektrik Tüketimine Göre Klima Modelleri Klimaların elektrik tüketimi oldukça önemli bir konudur. Elektrik tasarrufu, klima satın almadan önce dikkat edilmesi gereken önemli hususlardan biridir. Elektrik tasarrufu sağlanması için A sınıfı ve İnverter klimalar tercih edilebilir. A sınıfı klima, enerji seviye sınıflandırması için kullanılan COP değerinin 3.21’i geçmesi ile tanımlanan cihazlardır. Daha az enerji kullanarak daha fazla ısı üreten cihazların COP değeri yüksek olur. A sınıfı klimalar, elektrik tasarrufu sağlamaları açısında oldukça elverişlidir.
Klima Satın Alırken Dikkat Edilmesi Gereken Özellikler Klima satın alırken bazı özellikleri göz önünde bulundurmakta fayda vardır. Klimayı satın aldığınız firmanın güvenilir olmasına, firmanın klimayı kullanmaya başladıktan sonra ortaya çıkabilecek durumlara sunacağı çözümlerin nasıl olacağına, sunulan servis ve acil müdahale ekibinin iyi çalışırlığına dikkat etmek gerekir. Klimayı almadan önce kullanılacağı mekanın özellikleri iyi belirlenmelidir. Klimanın kapasitesi mekanın büyüklüğüne uygun olmalıdır. Büyük bir mekana klima alınıyor ise salon tipi klima, küçük bir mekana alınıyor ise daha küçük klimalar olan split tipi klimayı tercih etmek daha doğrudur. Enerji tüketimini düşürmek için klimanın A sınıfı olup olmadığına dikkat edilmelidir. Enerji verim oranı yeterince yüksekse klimanın daha verimli çalışması mümkündür. Isıtma konusunda da iyi olan bir klima aranıyorsa İnverter klimalar tercih edilmelidir. Hem ısıtma hem de soğutma konusunda İnverter teknolojisine sahip klimalardan çok daha fazla verim alınabilir. İnverter klimalara standart klimaların yanında %44 oranda daha avantajlıdır. Nem seviyesi dengeli bir ortam yaratmak için sağlıklı nem alma özelliği olan bir klima tercih edilmelidir. Özel nem alma özelliğine sahip klimalar aşırı soğutma yapmadan, yeterli nem seviyesini koruyabilirler. Klimanın sahip olduğu filtre donanımları da önceden araştırılmalıdır. Bazı filtreler sadece toz gibi partikülleri tutarken bazıları alerjik özelliğe sahip partiküllerin pasifleşmesini sağlar. Bu açıdan klimalarda filtre özelliği önemlidir. Neo Plasma teknolojisi sağlıklı ortamların oluşturulmasında tercih edilebilir. Neo Plasma özelliği klimalara hava temizleme işlevi kazandırır. Sağlığın ön plana alındığı durumlarda Neo Plasma özelliğine sahip klimalar tercih edilebilir. Aynı zamanda klima seçerken sessiz çalışan klimaları seçmeye de özen gösterilmelidir. Aksi durumda klima sesi çok can sıkıcı olabilir. Değişken sıcaklık değerlerini otomatik algılayabilen klimalar kullanım kolaylığı sağlar. Çoklu programlama özelliği ile de klimaların 24 saat içerisinde açılıp kapanmaları sağlanabilir. Tüm bu özellikler doğrultusunda yapılacak klima seçimi kullanıcıları memnun etmeye yetecektir.
Metrekareye göre BTU Değeri Hesaplama BTU hesaplaması kısaca ne tür bir klimaya ihtiyaç duyulduğuna ve hangi modelin kullanılabileceğine cevap sağlar. BTU, bir litre suyun sıcaklığını değiştirmek için gereken ısı miktarını ölçer. Bu değer klima modellerinde BTU/saat olarak geçer. Klimanın bir saat içinde çalıştığı mekandan taşıyabileceği ısıyı temsil eder. Mekanın büyüklüğü arttıkça kullanılacak klimanın BTU/s değeri de artar. Bir mekanın BTU değeri sadece genişliği ile ölçülmez birden fazla etken bu konuda belirleyici olabilir. Ancak bahsedilen BTU değeri hesaplama formülü kullanılarak mekanda tercih edilecek klimanın BTU değeri belirlenebilir.
En Çok Tercih Edilen Klima Modelleri Klima modelleri taşıdıkları özelliklere göre değişim göstermektedirler. Bu özellikler kullandığı güç, büyüklük, enerji gibi sınıflara ayrılabilir. En çok tercih edilen klima markaları arasında Mitsubishi, Daikin, Toshiba, Bosch, Siemens, Lg, Arçelik, Beko, Samsung, Vestel, Regal, Fujitsu, Hitachi, General, York, Midea, Airwell, MDV, Demirdöküm, Baymak, Electrolux, Profilo, Grundig, Carrier gibi isimler sayılabilir.
İklimlendirme,klima,montaj,arıza,bakım
İklimlendirme,klima,montaj,arıza,bakım
İklimlendirme,klima,montaj,arıza,bakım
İklimlendirme,klima,montaj,arıza,bakım
İklimlendirme,klima,montaj,arıza,bakım
İklimlendirme,klima,montaj,arıza,bakım
İklimlendirme,klima,montaj,arıza,bakım
İklimlendirme,klima,montaj,arıza,bakım
İklimlendirme,klima,montaj,arıza,bakım